
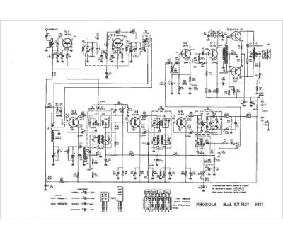
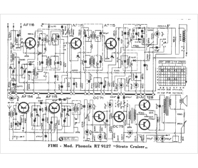
Marque :
Phonola
Modèle :
RT 9127 Strato Cruiser
Type appareil :
récepteur à tubes
Pays d'origine :
Italie
