
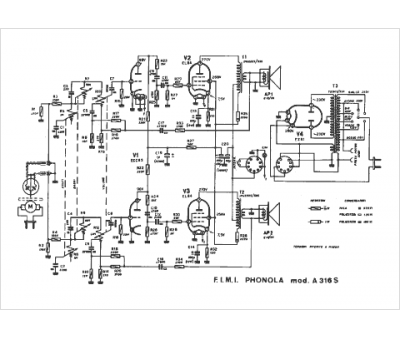
Marque :
Phonola
Modèle :
A 316 S
Type appareil :
récepteur à tubes
Pays d'origine :
Italie
