
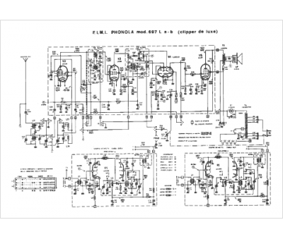
Marque :
Phonola
Modèle :
697 LA Clipper de Luxe
Type appareil :
récepteur à tubes
Pays d'origine :
Italie
