
Marque :
Phonola
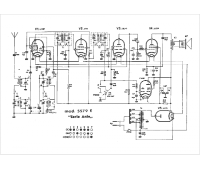
Modèle :
5579 E
Type appareil :
récepteur à tubes
Pays d'origine :
Italie
