
Marque :
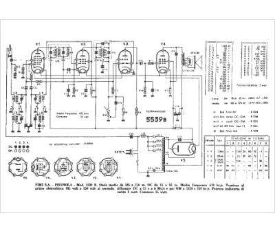
Phonola
Modèle :
5539 B
Type appareil :
récepteur à tubes
Pays d'origine :
Italie
