
Marque :
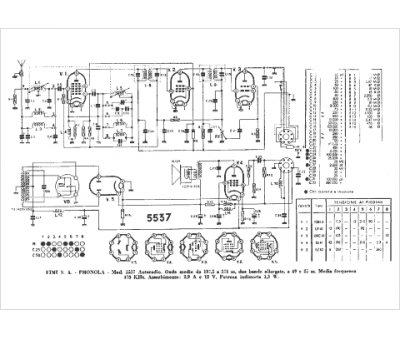
Phonola
Modèle :
5537 A
Type appareil :
récepteur à tubes
Pays d'origine :
Italie
