
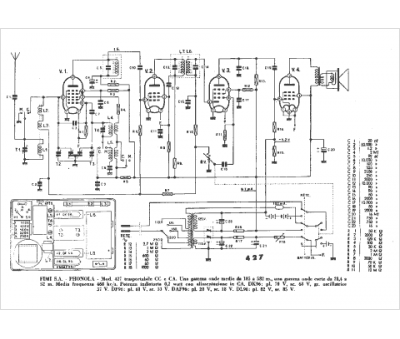
Marque :
Phonola
Modèle :
427
Type appareil :
récepteur à tubes
Pays d'origine :
Italie
