
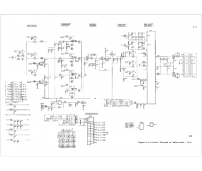
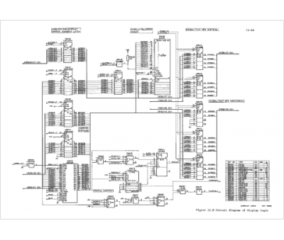
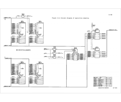
Marque :
Philips
Modèle :
PM 3335
Type appareil :
appareil de mesure
Pays d'origine :
Pays-Bas, Suisse, Espagne, Allemagne
