
Marque :
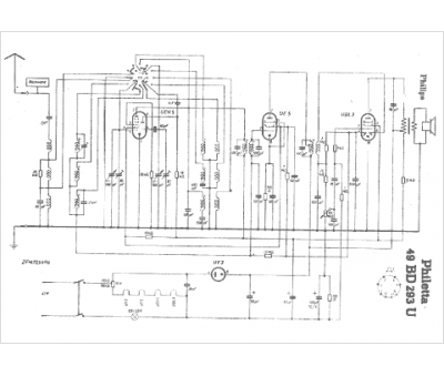
Philips
Modèle :
Philetta BD293U
Type appareil :
récepteur à tubes
Pays d'origine :
Pays-Bas, Suisse, Espagne, Allemagne
