
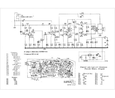
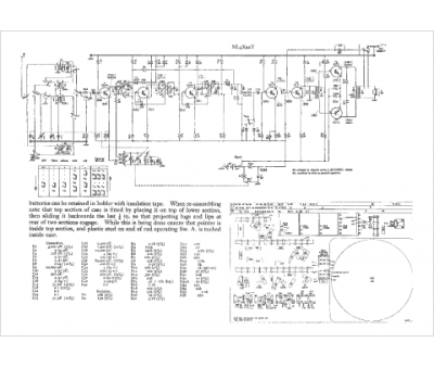
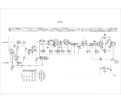
Marque :
Philips
Modèle :
NL3X 92T
Type appareil :
récepteur à transistors
Pays d'origine :
Pays-Bas, Suisse, Espagne, Allemagne
