
Marque :
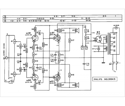
															Philips																																															
														Modèle :
																NG 3504 S																																	
															Type appareil :
																amplificateur à tubes
															Pays d'origine :
																Pays-Bas, Suisse, Espagne, Allemagne
															




