
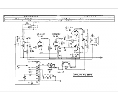
Marque :
Philips
Modèle :
NG 3500
Type appareil :
amplificateur à tubes
Pays d'origine :
Pays-Bas, Suisse, Espagne, Allemagne
