
Marque :
Philips
Modèle :
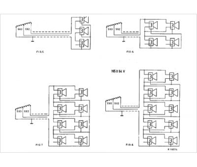
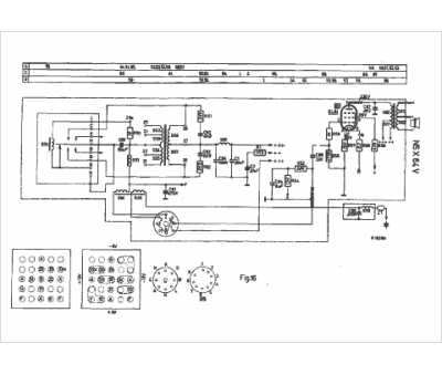
N5X 64 V
Type appareil :
auto-radio à transistors
Pays d'origine :
Pays-Bas, Suisse, Espagne, Allemagne
