
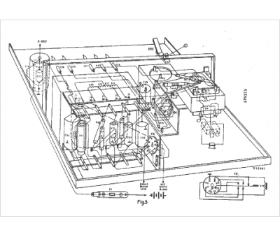
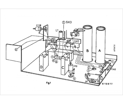
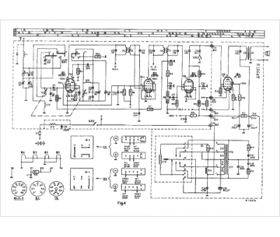
Marque :
Philips
Modèle :
N3X 64 V
Type appareil :
auto-radio à transistors
Pays d'origine :
Pays-Bas, Suisse, Espagne, Allemagne
