
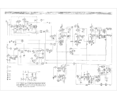
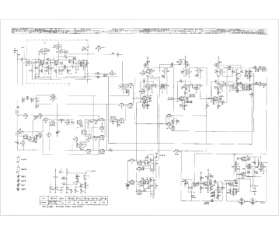
Marque :
Philips
Modèle :
L5W 44 T
Type appareil :
récepteur à transistors
Pays d'origine :
Pays-Bas, Suisse, Espagne, Allemagne
