
Marque :
Philips
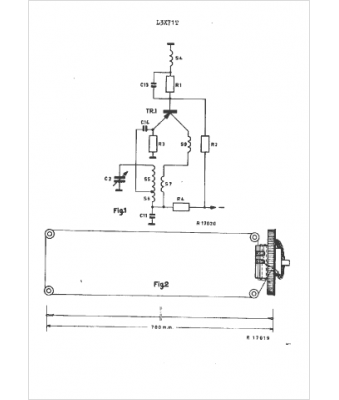
Modèle :
L3X 71 T
Type appareil :
récepteur à transistors
Pays d'origine :
Pays-Bas, Suisse, Espagne, Allemagne
