
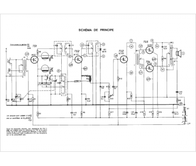
Marque :
															Philips																																															
														Modèle :
																L2F 30 T																																	
															Type appareil :
																récepteur à transistors
															Pays d'origine :
																Pays-Bas, Suisse, Espagne, Allemagne
															




