
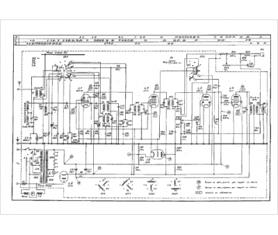
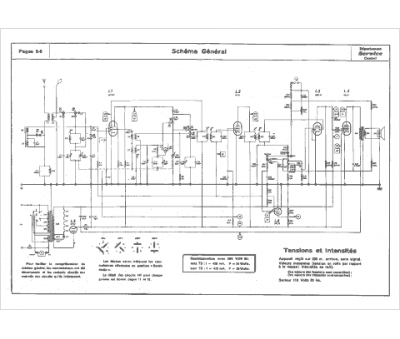
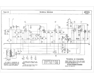
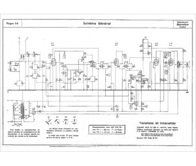
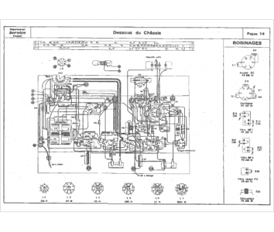
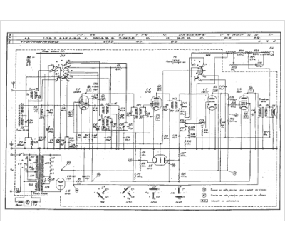
Marque :
Philips
Modèle :
HF453A
Type appareil :
radio tourne-disque à tubes
Année :
1955
Pays d'origine :
Pays-Bas, Suisse, Espagne, Allemagne
Prix de lancement :
39590
