
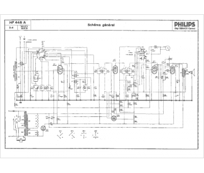
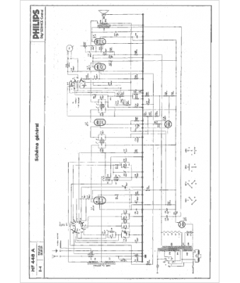
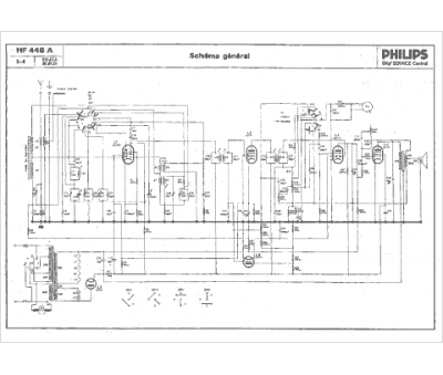
Marque :
Philips
Modèle :
HF448A
Type appareil :
radio tourne-disque à tubes
Année :
1954
Pays d'origine :
Pays-Bas, Suisse, Espagne, Allemagne
Prix de lancement :
49870
