
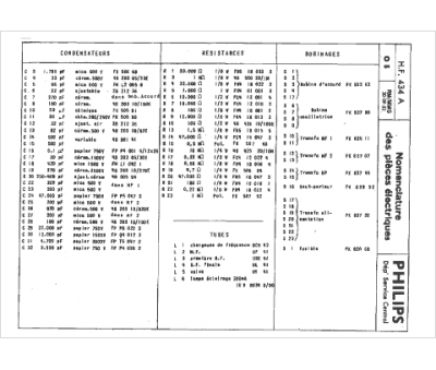
Marque :
Philips
Modèle :
HF 434 A
Type appareil :
radio tourne-disque à tubes
Pays d'origine :
Pays-Bas, Suisse, Espagne, Allemagne
