
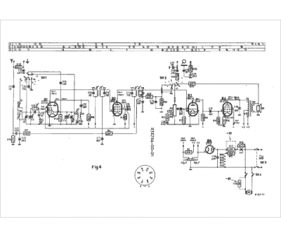
Marque :
Philips
Modèle :
H3X 78 A
Type appareil :
récepteur à tubes
Pays d'origine :
Pays-Bas, Suisse, Espagne, Allemagne
