
Marque :
Philips
Modèle :
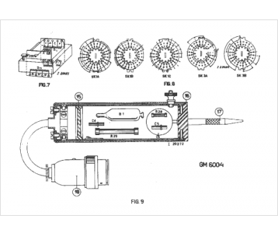
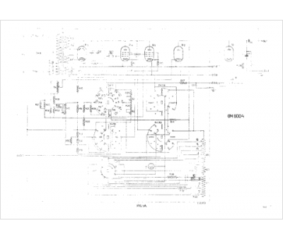
GM 6004
Type appareil :
appareil de mesure
Pays d'origine :
Pays-Bas, Suisse, Espagne, Allemagne
