
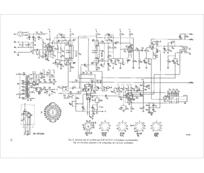
Marque :
Philips
Modèle :
GM 5655-03
Type appareil :
appareil de mesure
Pays d'origine :
Pays-Bas, Suisse, Espagne, Allemagne
