
Marque :
Philips
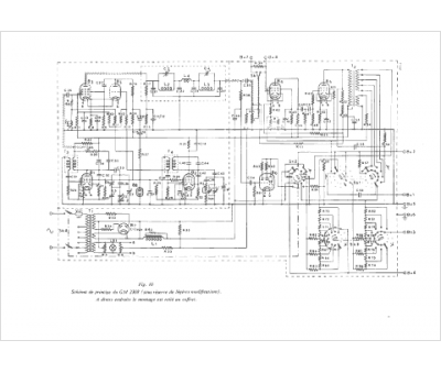
Modèle :
GM 2308
Type appareil :
appareil de mesure
Pays d'origine :
Pays-Bas, Suisse, Espagne, Allemagne
