
Marque :
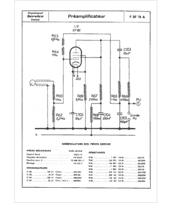
Philips
Modèle :
F 5F 74 A
Type appareil :
récepteur à tubes
Année :
1957
Pays d'origine :
Pays-Bas, Suisse, Espagne, Allemagne
