
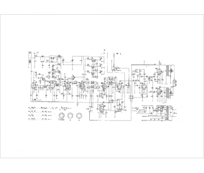
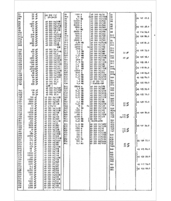
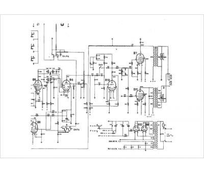
Marque :
Philips
Modèle :
BX 740 A
Type appareil :
récepteur à tubes
Année :
1954
Pays d'origine :
Pays-Bas, Suisse, Espagne, Allemagne
Prix de lancement :
80410
Gammes d'ondes :
AM FM
