
Marque :
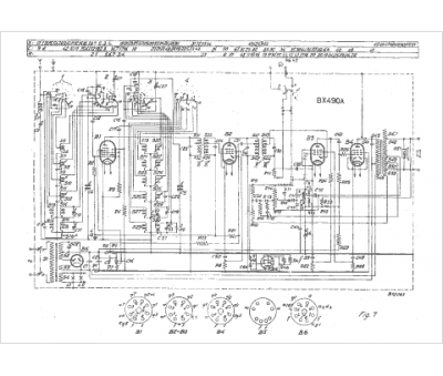
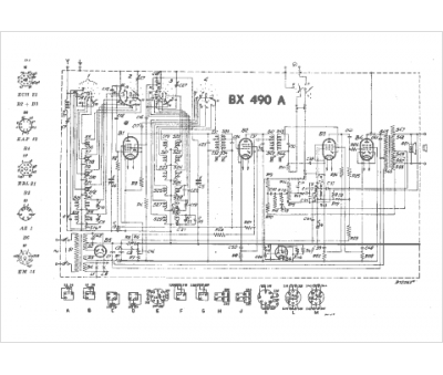
Philips
Modèle :
BX 490 A
Type appareil :
récepteur à tubes
Pays d'origine :
Pays-Bas, Suisse, Espagne, Allemagne
