
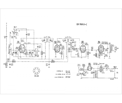
Marque :
Philips
Modèle :
BX 156 U
Type appareil :
récepteur à tubes
Année :
1955
Pays d'origine :
Pays-Bas, Suisse, Espagne, Allemagne
