
Marque :
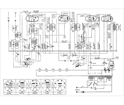
Philips
Modèle :
BF311A (La Lyre)
Type appareil :
récepteur à tubes
Année :
1951
Pays d'origine :
Pays-Bas, Suisse, Espagne, Allemagne
