Retour à l'accueil
 
 
Recherche de schémas
Collection CD/DVD

Service schémathèque 

5 documents correspondent à votre recherche.

Caractéristiques de l'appareil
Marque :
Philips
Modèle :
BF213U
Type appareil :
récepteur à tubes
Année :
1951
Pays d'origine :
Pays-Bas, Suisse, Espagne, Allemagne
5 documents correspondant à cet appareil
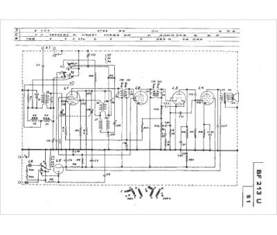
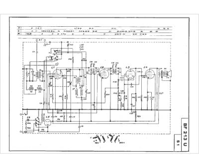
Schéma Philips BF213U
2 pages.
Document présent dans Rétro-schémas 2 Acheter
En ligne, disponible en téléchargement Télécharger
Schéma Philips BF213U
1 page
Document présent dans Rétro-schémas 2 Acheter
En ligne, disponible en téléchargement Télécharger
Schéma Philips BF213U, Radiola RA 262 u
4 pages.
Document présent dans Rétro-schémas 2 Acheter
En ligne, disponible en téléchargement Télécharger
Manuel Philips BF 213 U
4 pages.
Document présent dans Rétro-docs 3 Acheter
En ligne, disponible en téléchargement Télécharger
Schéma Philips BF 213 U
4 pages.
Document présent dans Rétro-docs 8 Acheter
En ligne, disponible en téléchargement Télécharger
Vous pouvez regrouper les téléchargements Tout télécharger
La consultation de cet espace schémathèque est en accès libre.