
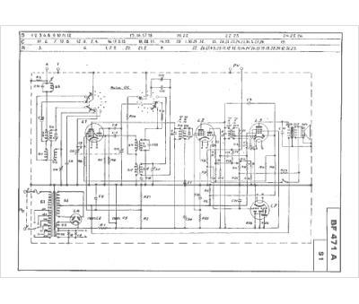
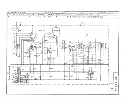
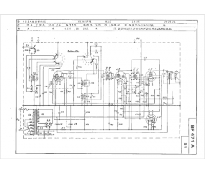
Marque :
Philips
Modèle :
BF 471A
Type appareil :
récepteur à tubes
Année :
1948
Pays d'origine :
Pays-Bas, Suisse, Espagne, Allemagne
