
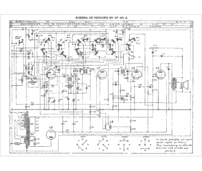
Marque :
Philips
Modèle :
BF 451A
Type appareil :
récepteur à tubes
Année :
1956
Pays d'origine :
Pays-Bas, Suisse, Espagne, Allemagne
Prix de lancement :
32800
