
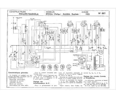
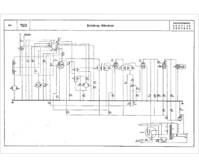
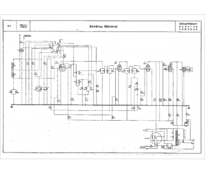
Marque :
Philips
Modèle :
BF 343A
Type appareil :
radio-réveil à tubes
Année :
1955
Pays d'origine :
Pays-Bas, Suisse, Espagne, Allemagne
Prix de lancement :
26410
