Marque :
Philips
Modèle :
BF 102U
Type appareil :
récepteur à tubes
Année :
1955
Pays d'origine :
Pays-Bas, Suisse, Espagne, Allemagne
Prix de lancement :
12160
Forme :
basse
Dim L x H x P :
230x120x110
Poids :
2100
Matière :
plastique
Couleur :
bordeaux, ivoire, jaune paille, vert, gris ou rouge
Cadran :
circulaire bouton concentrique
Boutons :
2
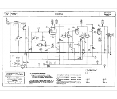
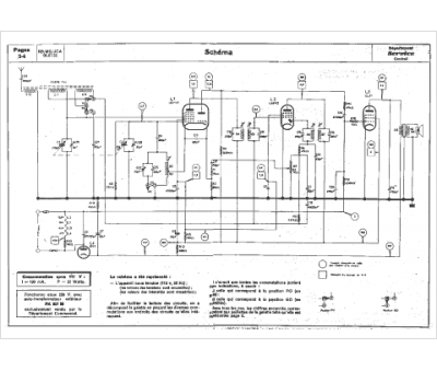
Technologie :
superhétérodyne
Tubes :
UCH81, UAF42, UL41, UY42
Moyenne fréquence :
455
Gammes d'ondes :
PO (185 à 575 m)
G0 (1150 à 1950 m)
G0 (1150 à 1950 m)
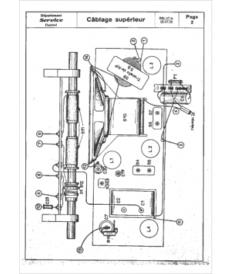
Cadre :
ferrite 20 cm
Alimentation :
tous-courants 110 à 117 V continu à 50 Hz
Haut-parleur :
aimant permanent 10 cm
Accessoires :
autotransformateur extérieur pour secteur 220 V (en supplément)
