
Marque :
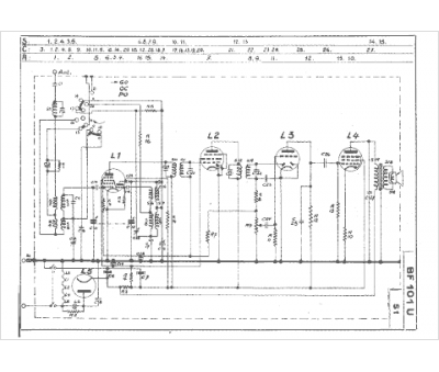
Philips
Modèle :
BF 101U (Farandole)
Type appareil :
récepteur à tubes
Année :
1950
Pays d'origine :
Pays-Bas, Suisse, Espagne, Allemagne
