
Marque :
Philips
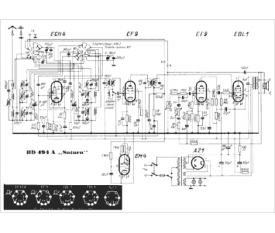
Modèle :
BD 492 A Saturn
Type appareil :
récepteur à tubes
Pays d'origine :
Pays-Bas, Suisse, Espagne, Allemagne
