
Marque :
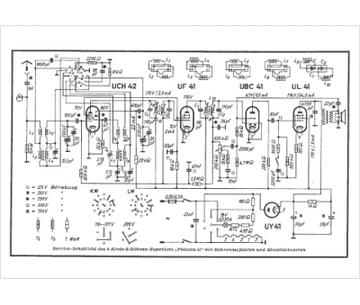
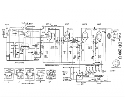
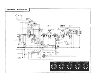
Philips
Modèle :
BD 200 U
Type appareil :
récepteur à tubes
Pays d'origine :
Pays-Bas, Suisse, Espagne, Allemagne
