
Marque :
Philips
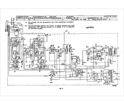
Modèle :
BCH 510 A
Type appareil :
récepteur à tubes
Pays d'origine :
Pays-Bas, Suisse, Espagne, Allemagne
