
Marque :
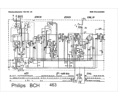
Philips
Modèle :
BCH 463
Type appareil :
récepteur à tubes
Pays d'origine :
Pays-Bas, Suisse, Espagne, Allemagne
