
Marque :
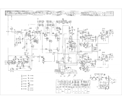
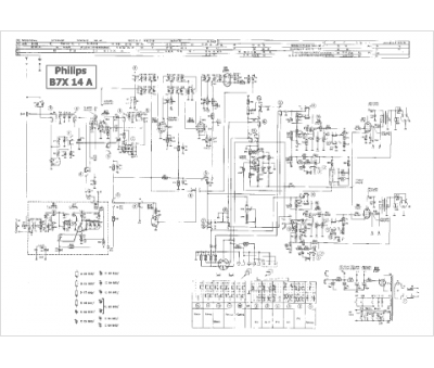
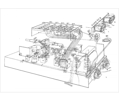
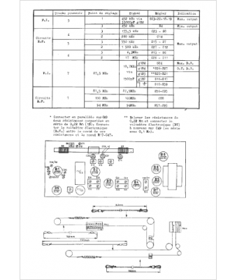
Philips
Modèle :
B7X14A
Type appareil :
récepteur à tubes
Année :
1961
Pays d'origine :
Pays-Bas, Suisse, Espagne, Allemagne
