Retour à l'accueil
 
 
Recherche de schémas
Collection CD/DVD

Service schémathèque 

5 documents correspondent à votre recherche.

Caractéristiques de l'appareil
Marque :
Philips
Modèle :
B5
Type appareil :
récepteur à tubes
Pays d'origine :
Pays-Bas, Suisse, Espagne, Allemagne
5 documents correspondant à cet appareil
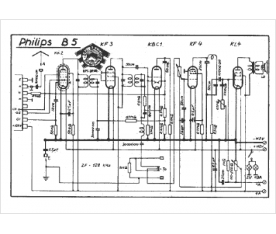
Schéma Philips B5
1 page
Document présent dans Rétro-schémas 2 Acheter
En ligne, disponible en téléchargement Télécharger
Manuel Philips B5
1 page
Document présent dans Rétro-docs 3 Acheter
En ligne, disponible en téléchargement Télécharger
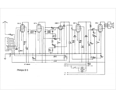
Schéma Philips B5
1 page
Document présent dans Rétro-docs 5 Acheter
En ligne, disponible en téléchargement Télécharger
Schéma Philips B5
2 pages.
Document présent dans Rétro-docs 8 Acheter
En ligne, disponible en téléchargement Télécharger
no photo
Schéma Philips B5
1 page
Doc complémentaire s. demande Demander
Vous pouvez regrouper les téléchargements Tout télécharger
La consultation de cet espace schémathèque est en accès libre.