
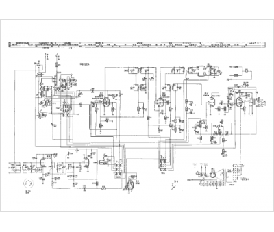
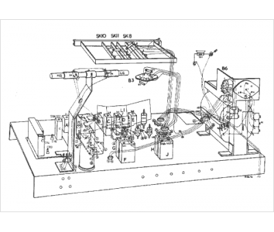
Marque :
Philips
Modèle :
B4X 92 A
Type appareil :
récepteur à tubes
Pays d'origine :
Pays-Bas, Suisse, Espagne, Allemagne
