
Marque :
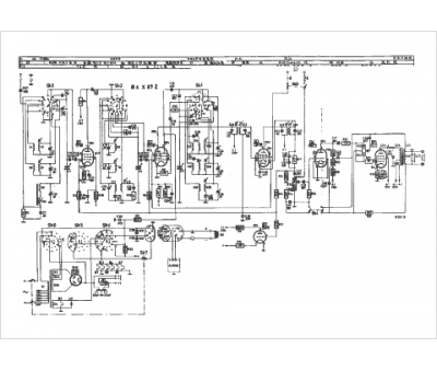
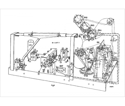
Philips
Modèle :
B4X 67 Z
Type appareil :
récepteur à tubes
Pays d'origine :
Pays-Bas, Suisse, Espagne, Allemagne
