
Marque :
Philips
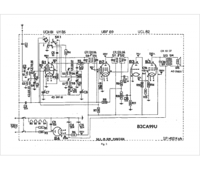
Modèle :
B2CA 99 U
Type appareil :
récepteur à tubes
Pays d'origine :
Pays-Bas, Suisse, Espagne, Allemagne
