
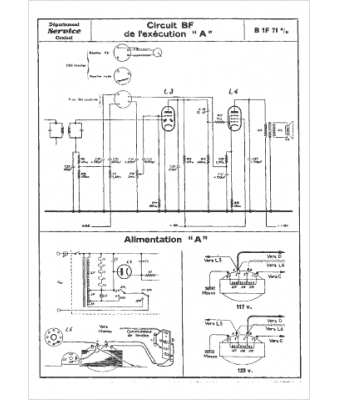
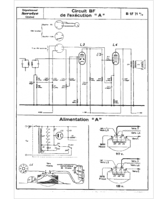
Marque :
Philips
Modèle :
B1F17A
Type appareil :
récepteur à tubes
Année :
1952
Pays d'origine :
Pays-Bas, Suisse, Espagne, Allemagne
