
Marque :
Philips
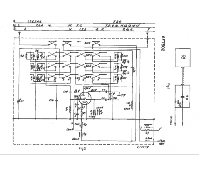
Modèle :
AF 7502
Type appareil :
auto-radio à transistors
Pays d'origine :
Pays-Bas, Suisse, Espagne, Allemagne
