
Marque :
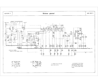
Philips
Modèle :
A-M 873 T
Type appareil :
récepteur à transistors
Pays d'origine :
Pays-Bas, Suisse, Espagne, Allemagne
