
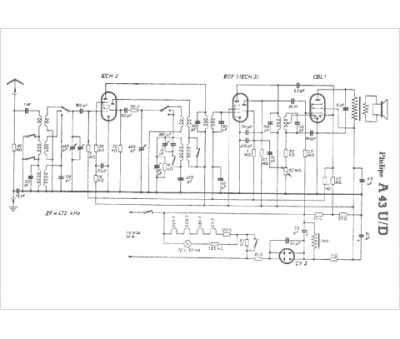
Marque :
Philips
Modèle :
A 43 U/D
Type appareil :
récepteur à tubes
Pays d'origine :
Pays-Bas, Suisse, Espagne, Allemagne
