
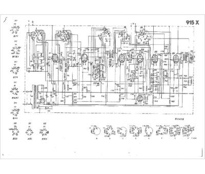
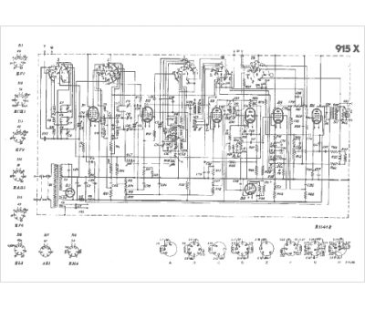
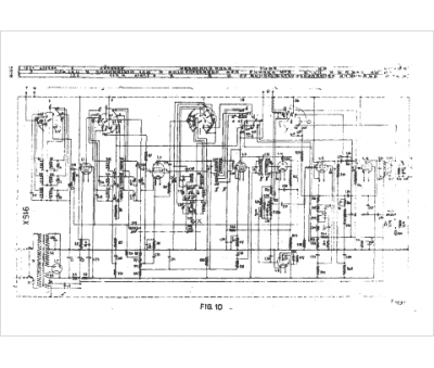
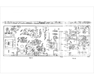
Marque :
Philips
Modèle :
915X
Type appareil :
récepteur à tubes
Année :
1940
Pays d'origine :
Pays-Bas, Suisse, Espagne, Allemagne
