
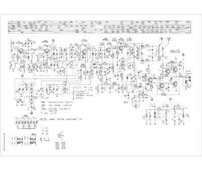
Marque :
Philips
Modèle :
90 AL 300
Type appareil :
récepteur à transistors
Pays d'origine :
Pays-Bas, Suisse, Espagne, Allemagne
